Мы используем cookie для наилучшего представления нашего сайта. Подробнее об этом в Политике конфиденциальности.
Ок

Калуга

Ваш город:
Калуга (Калужская область)?
Нет
Да
Каталог
Каталог Написать в WhatsApp
Мотоэкипировка

Поворотный кронштейн и рулевой рычаг 4-Х ТАКТНОГО ПЛМ MERCURY 135 Серийный номер от 1B381712 до 1B517158

Поворотный кронштейн и рулевой рычаг 4-Х ТАКТНОГО ПЛМ MERCURY 135 Серийный номер от 1B381712 до 1B517158 в Москве: актуальный каталог, цены, фото, описание. Купите поворотный кронштейн и рулевой рычаг 4-х тактного плм mercury 135 серийный номер от 1b381712 до 1b517158 в кредит – оформите заявку онлайн за 1 минуту!

Оригинальные запчасти

Артикул НАИМЕНОВАНИЕ Кол-во деталей в узле Примечание Наличие Цена Аналоги Фото
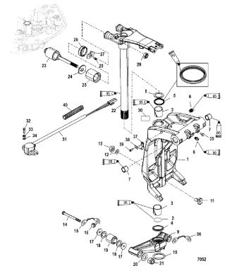
1 896545A02 SWIVEL BRACKET

Под заказ

1

Под заказ

уточнить

Купить
2 33504 Кольцо (O RING @10)

Под заказ

1

Под заказ

уточнить

Купить
3 818764 Втулка (BUSHING)

Под заказ

2

Под заказ

уточнить

Купить
4 816039 Проставка (SPACER)

Под заказ

1

Под заказ

уточнить

Купить
5 87735 Сальник (OIL SEAL, SWIVEL BRACKET LOWER)

Под заказ

1

Под заказ

уточнить

Купить
6 74036 Смазочный фиттинг (GREASE FITTING - EARLY STYLE)

Под заказ

2

Под заказ

уточнить

Купить
7 821207 BUSHING

Под заказ

2

Под заказ

уточнить

Купить
8 816432 Упорная шайба (THRUST WASHER)

Под заказ

1

Под заказ

уточнить

Купить
9 896888T BOTTOM YOKE

Под заказ

1

Под заказ

уточнить

Купить
10 67684 Упорное кольцо (RETAINING RING, BOTTOM YOKE)

Под заказ

1

Под заказ

уточнить

Купить
11 8M0045383 STRIKER PLATE

Под заказ

2

Под заказ

уточнить

Купить
12 58643 LOCKWASHER

Под заказ

2

Под заказ

уточнить

Купить
13 46335 Гайка (PROP NUT)

Под заказ

2

Под заказ

уточнить

Купить
14 896217 BOLT, (M14 x 175)

Под заказ

2

Под заказ

уточнить

Купить
15 88238A10 Кабель (CABLE ASSY)

Под заказ

1

Под заказ

уточнить

Купить
16 41508 SCREW

Под заказ

1

Под заказ

уточнить

Купить
17 815432 WASHER, (.562 x 2.00 x .125)

Под заказ

4

Под заказ

уточнить

Купить
18 8154331 WASHER, (1.25 x 2.00 x .19)

Под заказ

4

Под заказ

уточнить

Купить
19 813771003 MOUNT, Lower

Под заказ

2

Под заказ

уточнить

Купить
20 825190 Шайба (WASHER)

Под заказ

2

Под заказ

уточнить

Купить
21 896602 NUT, (M14)

Под заказ

2

Под заказ

уточнить

Купить
22 8M0133581 SWIVEL PIN

Под заказ

1

Под заказ

уточнить

Купить
23 897991A01 MOUNT ASSEMBLY

Под заказ

2

Под заказ

уточнить

Купить
24 898443 WASHER, Retainer

Под заказ

2

Под заказ

уточнить

Купить
25 898444001 SLEEVE

Под заказ

2

Под заказ

уточнить

Купить
26 897731001 NUT, Spanner

Под заказ

2

Под заказ

уточнить

Купить
27 897728 RETAINER

Под заказ

2

Под заказ

уточнить

Купить
28 8M0103806 SCREW @2

Под заказ

2

Под заказ

уточнить

Купить
29 896688001 Датчик положения трима (SENSOR, Trim Position)

Под заказ

1

Под заказ

уточнить

Купить
30 852368 Болт (SCREW)

Под заказ

2

Под заказ

уточнить

Купить
31 26996 Шайба гровера (LOCKWASHER @15)

Под заказ

2

Под заказ

уточнить

Купить
32 89302 Шайба (WASHER, DECK BASE SCREW (NEW DESIGN))

Под заказ

2

Под заказ

уточнить

Купить
33 64014 SCREW, SWIVEL BRACKET

Под заказ

2

Под заказ

уточнить

Купить
34 88238T22 CABLE ASSEMBLY

Под заказ

1

Под заказ

уточнить

Купить
35 22740 CLIP

Под заказ

1

Под заказ

уточнить

Купить
36 8M0084613 WASHER

Под заказ

1

Под заказ

уточнить

Купить
37 878609 Болт (SCREW, (#10-16 x .600))

Под заказ

1

Под заказ

уточнить

Купить
38 828547353 CONDUIT, (.350 Inside Diameter x 3.00 Feet Bulk)

Под заказ

1

Под заказ

уточнить

Купить

Нулевая цена не означает отсутствие товара. Оформите заказ, и менеджер сообщит вам цену и наличие товара, предварительно запросив их у поставщика

Главная Магазины
Корзина0
Профиль